Bộ nguồn thủy lực Dock Leveler là “trái tim” của hệ thống sàn nâng, có chức năng chuyển đổi năng lượng điện thành năng lượng thủy lực để điều khiển xi-lanh nâng hạ sàn một cách chính xác và an toàn. Thiết bị hoạt động theo nguyên lý bơm dầu áp suất cao vào xi-lanh để tạo lực nâng và hạ sàn nâng, giúp kết nối hoàn hảo giữa sàn kho với thùng xe tải phục vụ công việc bốc dỡ hàng hóa hiệu quả.
Nguyên Lý Hoạt Động Bộ Nguồn Thủy Lực Dock Leveler
Quá trình nâng sàn: Khi nhận tín hiệu từ tủ điều khiển, động cơ điện khởi động làm quay bơm thủy lực. Dầu thủy lực được bơm với áp suất cao vào xi-lanh, đẩy piston tạo ra lực nâng mạnh mẽ đưa sàn nâng lên đến vị trí cân bằng với sàn xe tải.

Quá trình hạ sàn: Khi nhả nút điều khiển, động cơ ngừng hoạt động và hệ thống van chuyển sang chế độ xả dầu. Dầu thủy lực trong xi-lanh thoát ra và quay trở lại thùng chứa, sàn nâng từ từ hạ xuống vị trí ban đầu một cách êm ái và an toàn.
Tìm hiểu thêm: Bộ nguồn thủy lực là gì? Cấu tạo, ứng dụng, phân loại
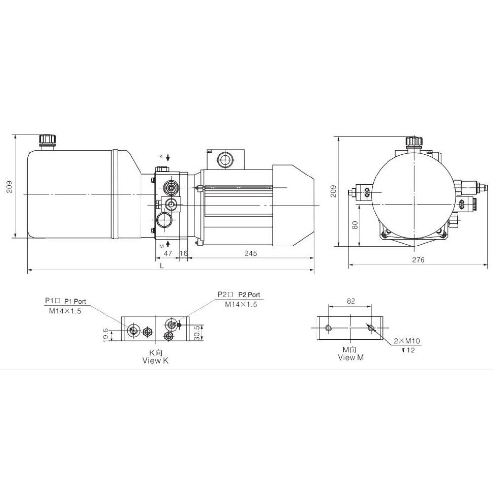
Cấu Tạo Chính
Động cơ điện
Công suất: 2.2 – 7.5 kW tùy tải trọng
Điện áp: 380V ba pha hoặc 220V đơn pha
Chức năng: Cung cấp năng lượng cho bơm thủy lực
Bơm thủy lực
Loại: Bơm bánh răng hoặc bơm piston
Áp suất: 100 – 250 bar
Lưu lượng: 10 – 50 lít/phút
Chức năng: Tạo dòng chảy và áp suất dầu

Thùng chứa dầu
Dung tích: 20 – 100 lít
Vật liệu: Thép chống ăn mòn
Tính năng: Có vách ngăn, màng lọc thông khí, đồng hồ đo mức
Van điều khiển
Bao gồm: Van một chiều, van giảm áp, van điện từ
Chức năng: Điều chỉnh hướng, lưu lượng và áp suất dầu
Bộ lọc dầu
Độ lọc: 10 – 25 micron
Chức năng: Loại bỏ tạp chất, bảo vệ bơm và xi-lanh
Xi-lanh thủy lực
Đường kính: 50 – 150 mm
Hành trình: 300 – 1000 mm
Chức năng: Chuyển đổi năng lượng thủy lực thành chuyển động nâng hạ
Thông Số Kỹ Thuật
| Thông số | Giá trị |
|---|---|
| Tải trọng | 6 – 15 tấn |
| Công suất động cơ | 2.2 – 7.5 kW |
| Áp suất làm việc | 100 – 250 bar |
| Điện áp | 220V/380V |
| Thời gian nâng | 10 – 30 giây |
| Thời gian hạ | 8 – 20 giây |
| Cấp bảo vệ | IP54/IP55 |
| Tiêu chuẩn | CE, ISO 9001 |
Ứng Dụng
✓ Kho bãi và trung tâm logistics: Bốc dỡ hàng hóa nhanh chóng từ xe tải vào kho
✓ Nhà máy sản xuất: Vận chuyển nguyên liệu và thành phẩm
✓ Cảng biển và bến tàu: Xử lý container và hàng hóa
✓ Siêu thị và trung tâm thương mại: Tiếp nhận hàng cung ứng
✓ Dược phẩm và thực phẩm: Môi trường yêu cầu vệ sinh cao
Ưu Điểm Vượt Trội
Có khả năng nâng tải trọng từ 6-15 tấn một cách ổn định, đáp ứng hầu hết nhu cầu bốc dỡ công nghiệp.
Hệ thống van cho phép điều chỉnh tốc độ và dừng chính xác tại bất kỳ vị trí nào, đảm bảo an toàn tuyệt đối.
Chuyển động nâng hạ êm ái không giật, bảo vệ hàng hóa và kéo dài tuổi thọ kết cấu sàn nâng thủy lực.

Các bộ phận được chế tạo từ vật liệu chất lượng cao, tuổi thọ 10-15 năm khi bảo trì đúng cách.
Trang bị van chống rơi, van giảm áp, công tắc khẩn cấp và hệ thống bảo vệ quá tải.
Động cơ chỉ hoạt động khi nâng sàn, tiết kiệm đến 40% điện năng so với hệ thống truyền thống.
Phân Loại Bộ Nguồn Thủy Lực Dock Leveler
Bộ nguồn thủy lực tiêu chuẩn
- Tải trọng: 6-10 tấn
- Phù hợp: Kho bãi vừa và nhỏ
- Giá: Hợp lý nhất
Bộ nguồn thủy lực hai chiều
- Tải trọng: 8-12 tấn
- Tốc độ: Nâng hạ nhanh hơn
- Phù hợp: Kho bãi hoạt động liên tục
Bộ nguồn công suất lớn
- Tải trọng: 12-15 tấn
- Công suất: 5.5-15 kW
- Phù hợp: Công nghiệp nặng, cảng biển
Bộ nguồn tích hợp
- Thiết kế: Nhỏ gọn, tích hợp vào sàn
- Phù hợp: Không gian hạn chế
Tính Năng Nổi Bật
✓ Động cơ điện thương hiệu ABB, Siemens hoặc WEG
✓ Bơm thủy lực Marzocchi (Ý), Parker (Mỹ) hoặc Yuken (Nhật)
✓ Dầu thủy lực Shell, Mobil hoặc Castrol chính hãng
✓ Van điều khiển Rexroth, Vickers
✓ Hệ thống lọc dầu 2 cấp, lọc đến 10 micron
✓ Đồng hồ đo áp suất và nhiệt độ
✓ Tủ điều khiển PLC tự động (tùy chọn)
✓ Điều khiển từ xa không dây 50-100m (tùy chọn)
✓ Báo động mức dầu thấp và quá nhiệt
✓ Khung thép chắc chắn, sơn tĩnh điện chống ăn mòn
Hướng Dẫn Lựa Chọn
Xác định tải trọng: Tính tổng trọng lượng hàng hóa + xe nâng, chọn bộ nguồn có công suất lớn hơn 20-30% để đảm bảo an toàn.

Đánh giá tần suất sử dụng:
- Sử dụng thường xuyên (>50 lần/ngày): Chọn loại công suất lớn
- Sử dụng vừa phải (<20 lần/ngày): Chọn loại tiêu chuẩn
Môi trường sử dụng:
- Ngoài trời/độ ẩm cao: Chọn cấp bảo vệ IP55 trở lên
- Nhiệt độ thấp: Cần hệ thống sưởi dầu
Nguồn điện: Đảm bảo điện áp phù hợp: 380V (công suất lớn) hoặc 220V (công suất nhỏ)
Thông Tin Liên Hệ
CÔNG TY NALTAKO
🌐 Website: Naltako.vn
🏭 Xưởng: Thôn Đồng Đế, Phù Yên, Chương Mỹ, Hà Nội
🏢 Văn phòng: Tầng 4, SME Hoàng Gia, Tô Hiệu, Hà Đông, Hà Nội
📞 Hotline:
- 0981 977 898 – Kỹ thuật
- 0986 868 003 – Kinh doanh
📧 Email: nhat.mtk53@gmail.com
⏰ Giờ làm việc: T2-T7: 8:00-17:30 | CN: 8:00-12:00

English











Đánh giá
Chưa có đánh giá nào.